厂家不锈钢搭扣金属搭扣锁家具配件机械设备搭扣500B

產品代碼: I557103805646
返現: 15%
分數: 1688 Айпаарс
Пройдите простую регистрацию, чтобы делать покупки выгодно.
Доступные опции:
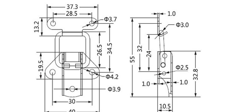
规格:
描述:


                全店产品标价不含税运,开票运费请联系客服








Характеристики:
订货号 J500B
加工定制
货号 J500B
品牌 杰得力
型号 J500B
适用范围 食品加工机、家具配件、厨房配件、机械设备等
样品或现货 现货
是否标准件 标准件
标准类型 非标
标准编号 J500B
规格 铁,201不锈钢,304不锈钢
主要下游平台 ebay,亚马逊,wish,速卖通,独立站,LAZADA
主要销售地区 非洲,欧洲,南美,东南亚,北美,东北亚,中东
有可授权的自有品牌
是否跨境出口专供货源
表面处理 镀镍/镀锌/镀铬/电泳/振光
材质 铁/不锈钢