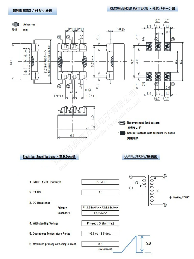
10 шт./импортный SMD EE5.0 Micro 1:10 0.8A изоляционный Высокочастотный импульсный сигнальный трансформатор для фонарика EE0504S

Код товара: A1005004100989560
Кешбек: 15%
Магазин: АлиКэшбэк20
Пройдите простую регистрацию, чтобы делать покупки выгодно.
Описание: