ADM-4188 8-канальный переключатель ввода/вывода 8DI/DO модуль сбора 485 modbus

Код товара: A1005004848999069
Кешбек: 15%
Магазин: АлиКэшбэк20
Пройдите простую регистрацию, чтобы делать покупки выгодно.
Описание:
Введение
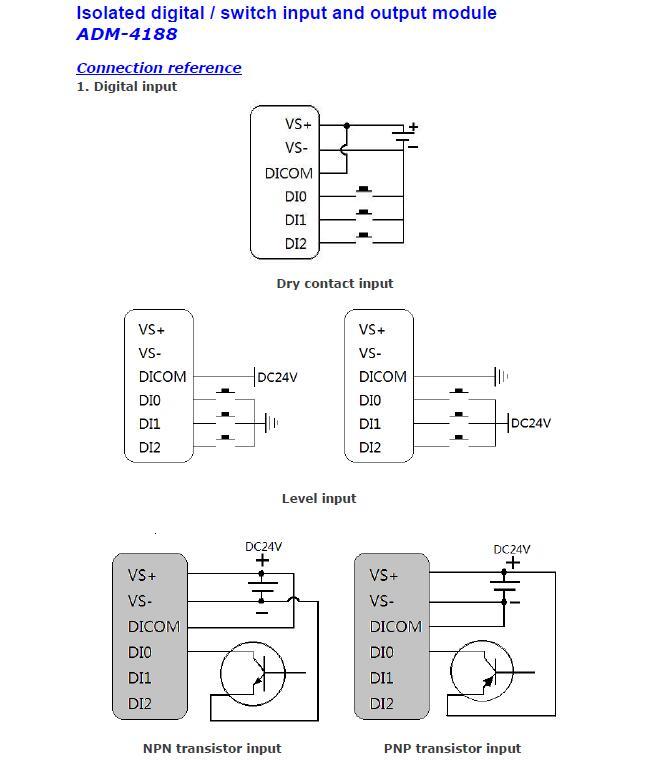
ADM-4188 составляет 8 изолированный канал цифровое/переключатель входной и выходной модуль,
Который широко используется в промышленной области, получение сигнала, мониторинг и
Контроль. 8-канальный изоляции цифровой вход и 8-канальный сетевой видеорегистратор
Изоляция цифрового выхода, а цифровой выход-это тип NPN
Набор транзисторов с открытым контуром. Интерфейс связи RS-485
Интерфейс, который поддерживает стандартный протокол MODBUS RTU и может быть
Подключен к программному обеспечению конфигурации, PLC и DCS промышленному сенсорному экрану.
Параметры
Цифровой вход
1. Вход канал: 8 способ сухого контакта или уровня сигнала
2. Входная Полярность: коотрицательная или коположительная (Автоматическая адаптация)
3. Вход диапазон: высокий уровень (1): 7,5 V - 30V, низкий уровень (0): 0V - 1V
4. Частота дискретизации: 1000 Гц
5. Напряжение изоляции: 1500 В
6. Входной счетчик: 16 бит (0 ~ 65535), Входная частота менее 200 Гц
Цифровой выход
1. Выход канал: 8-канальный сетевой видеорегистратор транзистор типа NPN OC Выход
2. Напряжение нагрузки: максимум 40 в
3. Ток нагрузки: 150 мА @ 625 МВт
Интерфейс связи
1. Протокол связи: MODBUS-RTU
2. Тип интерфейса: интерфейс RS-485
3. Защита интерфейса: защита ESD 15кВ, защита от изоляции 1500 В
4. Скорость передачи данных: 1200/2400/4800/9600/19200/38400/57600/115200
5. Паритет: нет, ровный, нечетный
6. По умолчанию: 9600, N, 8, 1 (Модифицируемый)
Системный параметр
1. Размер модуля: 104 мм x 72 мм x 26 мм
2. Установка: 35 мм din-рейка
3. Окружающая среда: температура: -20 ~ 70 C Влажность: 0-95%, не конденсируется
4. Источник питания: DC9 ~ 30 в меньше 3 Вт
Светодиодный светильник
1. Мощность: индикация мощности, «яркий» источник питания является нормальным
2. COMM: RS-485 сообщение означает, что «flash» отправляет и получает данные
3. DI0 ~ DI7: цифровой входной индикатор, "яркий" вход 1
4. DO0 ~ DO7: цифровой выходной индикатор, "яркий" выход 1
Использование параметров связи по умолчанию
Когда вы забудете о модульной связи (ID, скорость передачи данных, паритет бит), INIT
И DOGND контакты коротки замыкание, модуль электрификации, связь
Параметры модуля (9600, N, 8, 1), ID 1.INIT и DOGND pin is
Отключен, модуль использует параметры, установленные пользователем, параметры по умолчанию для
Модуль (9600, N, 8, 1),ID 1.



Характеристики:
Название бренда BADODOSECURITY
Происхождение Китай
Сертификация Евротест (СЕ)
Единица измерения штука/штуки
Метод продаж sell_by_piece
Количество 1
Вес в упаковке 0.300
Размер в упаковке, Длина, см 5
Размер в упаковке, Ширина, см 5
Размер в упаковке, Высота, см 5
Название бренда BADODOSECURITY
Происхождение Китай
Сертификация Евротест (СЕ)
Единица измерения штука/штуки
Метод продаж sell_by_piece
Количество 1
Вес в упаковке 0.300
Размер в упаковке, Длина, см 5
Размер в упаковке, Ширина, см 5
Размер в упаковке, Высота, см 5