Датчик качества воздуха и газа MP503

Код товара: A1005001593666763
Кешбек: 15%
Магазин: АлиКэшбэк20
Пройдите простую регистрацию, чтобы делать покупки выгодно.
Описание:

MP503 Датчик газа качества воздуха Модуль датчиков запаха загрязнения Четырехступенчатый TVOC к спирту Обнаружение изобутана и метана для автомобильного очистителя воздуха

Описание изделия:
Датчик качества воздуха MP503 использует процесс производства многослойной толстопленочной пленки. Нагреватель и полупроводниковый газочувствительный слой оксида металла изготовлены с обеих сторон миниатюрной керамической подложки Al2O3, соответственно, и упакованы в металлический корпус. Когда обнаруженный газ присутствует в окружающем воздухе, проводимость датчика изменяется. Чем выше концентрация газа, тем выше проводимость датчика. Простая схема может быть использована для преобразования этого изменения проводимости в выходной сигнал, соответствующий концентрации газа.
 
Характеристики датчика:
Этот продукт обладает высокой чувствительностью к спирту, дыму, изобутану и формальдегиду; он обладает такими преимуществами, как быстрое восстановление реакции, низкое энергопотребление, простая схема обнаружения, хорошая стабильность, длительный срок службы и так далее.
 
Применение:
Для домашней среды и обнаружения вредных газов в офисе, автоматического выхлопного устройства, освежителя воздуха и т. Д.
 
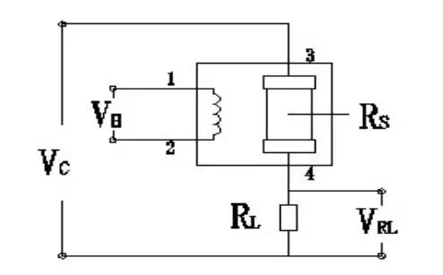
Параметр И структурная схема :
Основная схема:
 
Примечание: На рисунке выше представлена базовая тестовая схема датчика MP503. Для Датчика требуется два напряжения: напряжение нагревателя (VH) и испытательное напряжение (VC). Среди них VH используется для обеспечения определенной рабочей температуры для датчика, а также может использоваться мощность постоянного или переменного тока. VRL-это напряжение на сопротивление нагрузки (RL) последовательно работающего датчика. VC-испытательное напряжение для сопротивления нагрузке RL. Требуется источник питания постоянного тока.
 



Характеристики:
<span class="SnowProductCharacteristics_SnowProductCharacteristicsItem__titleContent__534v9">Название бренда</span> Jessinie
<span class="SnowProductCharacteristics_SnowProductCharacteristicsItem__titleContent__534v9">Номер модели</span> MP503 Air Quality Gas Sensor
<span class="SnowProductCharacteristics_SnowProductCharacteristicsItem__titleContent__534v9">Происхождение</span> Китай
<span class="SnowProductCharacteristics_SnowProductCharacteristicsItem__titleContent__534v9">Материал</span> Смесь
<span class="SnowProductCharacteristics_SnowProductCharacteristicsItem__titleContent__534v9">Индивидуальное изготовление</span> Да
<span class="SnowProductCharacteristics_SnowProductCharacteristicsItem__titleContent__534v9">Применение</span> Газовый датчик
<span class="SnowProductCharacteristics_SnowProductCharacteristicsItem__titleContent__534v9">Выход</span> Аналоговый сенсор
<span class="SnowProductCharacteristics_SnowProductCharacteristicsItem__titleContent__534v9">Основы</span> Датчик сопротивления
<span class="SnowProductCharacteristics_SnowProductCharacteristicsItem__titleContent__534v9">Тип</span> Газоанализатор
<span class="SnowProductCharacteristics_SnowProductCharacteristicsItem__titleContent__534v9">Название бренда</span> Jessinie
<span class="SnowProductCharacteristics_SnowProductCharacteristicsItem__titleContent__534v9">Номер модели</span> MP503 Air Quality Gas Sensor
<span class="SnowProductCharacteristics_SnowProductCharacteristicsItem__titleContent__534v9">Происхождение</span> Китай
<span class="SnowProductCharacteristics_SnowProductCharacteristicsItem__titleContent__534v9">Материал</span> Смесь
<span class="SnowProductCharacteristics_SnowProductCharacteristicsItem__titleContent__534v9">Индивидуальное изготовление</span> Да
<span class="SnowProductCharacteristics_SnowProductCharacteristicsItem__titleContent__534v9">Применение</span> Газовый датчик
<span class="SnowProductCharacteristics_SnowProductCharacteristicsItem__titleContent__534v9">Выход</span> Аналоговый сенсор
<span class="SnowProductCharacteristics_SnowProductCharacteristicsItem__titleContent__534v9">Основы</span> Датчик сопротивления
<span class="SnowProductCharacteristics_SnowProductCharacteristicsItem__titleContent__534v9">Тип</span> Газоанализатор
<span class="SnowProductCharacteristics_SnowProductCharacteristicsItem__titleContent__534v9">Единица измерения</span> штука/штуки
<span class="SnowProductCharacteristics_SnowProductCharacteristicsItem__titleContent__534v9">Количество</span> 1