E3D V6 сопло из закаленной стали, совместимое с PEI PEEK углеродное волокно для v6 Hotend для матричного экструдера

Код товара: A1005005826213420
Кешбек: 15%
Магазин: АлиКэшбэк20
Пройдите простую регистрацию, чтобы делать покупки выгодно.
Доступные опции:
Цвет:
Размер:
Описание:

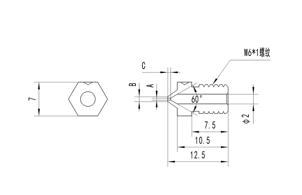
Форсунка V6 из закаленной стали

Максимальная температура печати: 500 ℃

Размер: приблизительно 12,5 мм x 7 мм/0,49x0,27 дюйма

Диаметр винта: 6 мм

Размер сопла: 0,3, 0,4, 0,6, 0,8, 1,0 мм.

Подходит для: нити 1,75 мм

Количество: 1 шт.

Пакет включает:

1 шт. X насадка из закаленной стали E3D V6.




Характеристики:
Название бренда Artillery
Номер модели E3D V6 hardened steel nozzle
Происхождение Китай
Тип товара Форсунка
Единица измерения штука/штуки
Количество 1
Material hardened steel
For 1.75mm filament
Screw Diameter 6mm thread,M6 thread